





Артикул:
a2a - 67583-000
Есть в наличии
Доставка послезавтра и позже, от 5000 ₽
Обратите внимание. Наша компания работает со странами СНГ только через представительство в РФ.
Обратите внимание. Наша компания работает со странами СНГ только через представительство в РФ.
В упаковке
100 штВес единицы товара, кг
0,00065Basic
В упаковке
100 шт
Вес единицы товара, кг
0,00065
Вес упаковки, кг
0.0007
Высота, мм
1
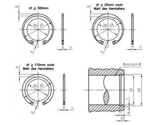
Диаметр внутренний, мм
17
Диаметр, мм
18.3
Дополнительные параметры
Ширина ушка: 3.9 мм
Материал
нерж. сталь SM 1.4122
Ширина, мм
2.1
Отзывов: 0
Нет отзывов об этом товаре.
Вопросов: 0
Нет вопросов об этом товаре.
Похожие товары
Вы недавно смотрели