





Артикул:
a2a - 67540-000
Есть в наличии
Доставка послезавтра и позже, от 5000 ₽
Обратите внимание. Наша компания работает со странами СНГ только через представительство в РФ.
Обратите внимание. Наша компания работает со странами СНГ только через представительство в РФ.
В упаковке
100 штВес единицы товара, кг
0,0015Basic
В упаковке
100 шт
Вес единицы товара, кг
0,0015
Вес упаковки, кг
0.0015
Высота, мм
1.2
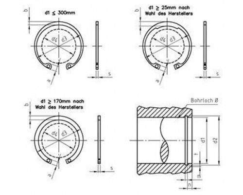
Диаметр внутренний, мм
25
Диаметр, мм
26.9
Дополнительные параметры
Ширина ушка: 4.5 мм
Материал
нерж. сталь SM 1.4122
Ширина, мм
2.7
Отзывов: 0
Нет отзывов об этом товаре.
Вопросов: 0
Нет вопросов об этом товаре.
Похожие товары
Вы недавно смотрели