





Артикул:
a2a - 67560-000
Есть в наличии
Доставка послезавтра и позже, от 5000 ₽
Обратите внимание. Наша компания работает со странами СНГ только через представительство в РФ.
Обратите внимание. Наша компания работает со странами СНГ только через представительство в РФ.
В упаковке
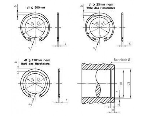
10 штВес единицы товара, кг
0,016Basic
В упаковке
10 шт
Вес единицы товара, кг
0,016
Вес упаковки, кг
0.16
Высота, мм
2.5
Диаметр внутренний, мм
68
Диаметр, мм
72.5
Дополнительные параметры
Ширина ушка: 7.8 мм
Материал
нерж. сталь SM 1.4122
Ширина, мм
6.1
Отзывов: 0
Нет отзывов об этом товаре.
Вопросов: 0
Нет вопросов об этом товаре.
Похожие товары
Вы недавно смотрели