





Артикул:
a2a - 0472285-SCH
Есть в наличии
681.96 ₽
Минимальное количество заказа этого товара 10
Доставка послезавтра и позже, от 5000 ₽
Обратите внимание. Наша компания работает со странами СНГ только через представительство в РФ.
Обратите внимание. Наша компания работает со странами СНГ только через представительство в РФ.
В упаковке
10 штВес единицы товара, кг
0,0253Basic
В упаковке
10 шт
Вес единицы товара, кг
0,0253
Вес упаковки, кг
0.253
Высота, мм
3
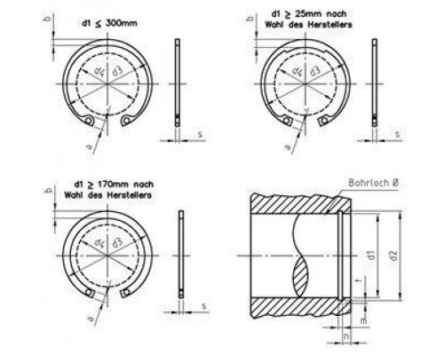
Диаметр внутренний, мм
85
Диаметр, мм
90.5
Дополнительные параметры
Ширина ушка: 9.7 мм
Материал
нерж. сталь SM 1.4122
Ширина, мм
7.2
Отзывов: 0
Нет отзывов об этом товаре.
Вопросов: 0
Нет вопросов об этом товаре.
Похожие товары
Вы недавно смотрели