







Артикул:
a2a - 7985203 4-SCH
Есть в наличии
2.73 ₽
Минимальное количество заказа этого товара 500
Доставка послезавтра и позже, от 5000 ₽
Обратите внимание. Наша компания работает со странами СНГ только через представительство в РФ.
Обратите внимание. Наша компания работает со странами СНГ только через представительство в РФ.
В упаковке
500Вес единицы товара, кг
0,00062Basic
В упаковке
500
Вес единицы товара, кг
0,00062
Вес упаковки, кг
0.00012
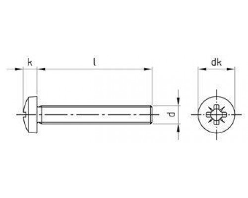
Высота головки, мм
2.4
Диаметр головки, мм
6
Диаметр резьбы
M3
Длина, мм
4
Материал
нерж. сталь A2
Нагрузки
Разрыв: 500 Н/мм2
Размер шлица
PZ1
Тип головки
цилиндрическая скругленная
Тип резьбы
полная
Шлиц
PZ
Отзывов: 0
Нет отзывов об этом товаре.
Вопросов: 0
Нет вопросов об этом товаре.
Похожие товары
Вы недавно смотрели