







Артикул:
a2a - 79854025 18-SCH
Есть в наличии
3.85 ₽
Минимальное количество заказа этого товара 1000
Доставка послезавтра и позже, от 5000 ₽
Обратите внимание. Наша компания работает со странами СНГ только через представительство в РФ.
Обратите внимание. Наша компания работает со странами СНГ только через представительство в РФ.
В упаковке
1000Вес единицы товара, кг
0,00079Basic
В упаковке
1000
Вес единицы товара, кг
0,00079
Вес упаковки, кг
0.00008
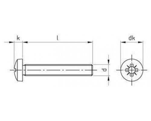
Высота головки, мм
2
Диаметр головки, мм
5
Диаметр резьбы
M2.5
Длина, мм
18
Материал
нерж. сталь A4
Нагрузки
Разрыв: 500 Н/мм2
Размер шлица
PZ1
Тип головки
цилиндрическая скругленная
Тип резьбы
полная
Шлиц
PZ
Отзывов: 0
Нет отзывов об этом товаре.
Вопросов: 0
Нет вопросов об этом товаре.
Похожие товары
Вы недавно смотрели