







Артикул:
a2a - 7985408 50-SCH
Есть в наличии
51.91 ₽
Минимальное количество заказа этого товара 200
Доставка послезавтра и позже, от 5000 ₽
Обратите внимание. Наша компания работает со странами СНГ только через представительство в РФ.
Обратите внимание. Наша компания работает со странами СНГ только через представительство в РФ.
В упаковке
200Вес единицы товара, кг
0,0239Basic
В упаковке
200
Вес единицы товара, кг
0,0239
Вес упаковки, кг
0.01195
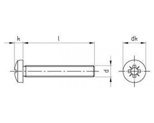
Высота головки, мм
6
Диаметр головки, мм
16
Диаметр резьбы
M8
Длина, мм
50
Материал
нерж. сталь A4
Нагрузки
Разрыв: 700 Н/мм2
Размер шлица
PZ4
Тип головки
цилиндрическая скругленная
Тип резьбы
полная
Шлиц
PZ
Отзывов: 0
Нет отзывов об этом товаре.
Вопросов: 0
Нет вопросов об этом товаре.
Похожие товары
Вы недавно смотрели