







Артикул:
a2a - 0912208 25G625-SCH
Есть в наличии
Доставка послезавтра и позже, от 5000 ₽
Обратите внимание. Наша компания работает со странами СНГ только через представительство в РФ.
Обратите внимание. Наша компания работает со странами СНГ только через представительство в РФ.
В упаковке
200Вес единицы товара, кг
0,015Basic
В упаковке
200
Вес единицы товара, кг
0,015
Вес упаковки, кг
0.0075
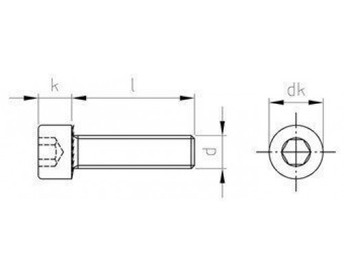
Высота головки, мм
8
Диаметр головки, мм
13
Диаметр резьбы
M8
Длина, мм
25
Материал
нерж. сталь A2
Нагрузки
Разрыв: 700 Н/мм2
Покрытие
Gleitmo 625
Размер шлица
SW6
Тип
с насечкой
Тип головки
цилиндрическая
Тип резьбы
полная
Шлиц
HEX
Отзывов: 0
Нет отзывов об этом товаре.
Вопросов: 0
Нет вопросов об этом товаре.
Похожие товары
Вы недавно смотрели