







Артикул:
a2a - 091248012 40-SCH
Есть в наличии
95.84 ₽
Минимальное количество заказа этого товара 50
Доставка послезавтра и позже, от 5000 ₽
Обратите внимание. Наша компания работает со странами СНГ только через представительство в РФ.
Обратите внимание. Наша компания работает со странами СНГ только через представительство в РФ.
В упаковке
50Вес единицы товара, кг
0,0465Basic
В упаковке
50
Вес единицы товара, кг
0,0465
Вес упаковки, кг
0.093
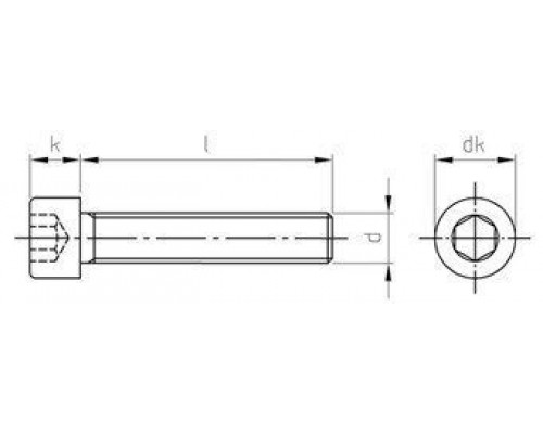
Высота головки, мм
12
Диаметр головки, мм
18
Диаметр резьбы
M12
Длина, мм
40
Материал
нерж. сталь A4-80
Нагрузки
Разрыв: 800 Н/мм2
Покрытие
нет
Размер шлица
SW10
Тип
без насечки
Тип головки
цилиндрическая
Тип резьбы
полная
Шлиц
HEX
Отзывов: 0
Нет отзывов об этом товаре.
Вопросов: 0
Нет вопросов об этом товаре.
Похожие товары
Вы недавно смотрели