







Артикул:
a2a - 09124805 12-SCH
Есть в наличии
8.41 ₽
Минимальное количество заказа этого товара 500
Доставка послезавтра и позже, от 5000 ₽
Обратите внимание. Наша компания работает со странами СНГ только через представительство в РФ.
Обратите внимание. Наша компания работает со странами СНГ только через представительство в РФ.
В упаковке
500Вес единицы товара, кг
0,003Basic
В упаковке
500
Вес единицы товара, кг
0,003
Вес упаковки, кг
0.0006
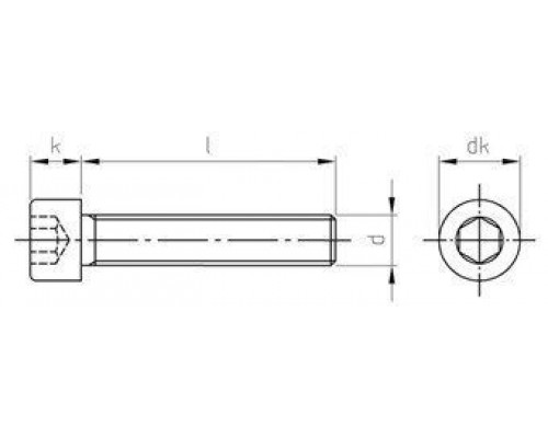
Высота головки, мм
5
Диаметр головки, мм
8.5
Диаметр резьбы
M5
Длина, мм
12
Материал
нерж. сталь A4-80
Нагрузки
Разрыв: 800 Н/мм2
Покрытие
нет
Размер шлица
SW4
Тип
без насечки
Тип головки
цилиндрическая
Тип резьбы
полная
Шлиц
HEX
Отзывов: 0
Нет отзывов об этом товаре.
Вопросов: 0
Нет вопросов об этом товаре.
Похожие товары
Вы недавно смотрели