







Артикул:
a2a - 0963414 5-SCH
Есть в наличии
62.11 ₽
Минимальное количество заказа этого товара 1000
Доставка послезавтра и позже, от 5000 ₽
Обратите внимание. Наша компания работает со странами СНГ только через представительство в РФ.
Обратите внимание. Наша компания работает со странами СНГ только через представительство в РФ.
В упаковке
1000Вес единицы товара, кг
0,00007Basic
В упаковке
1000
Вес единицы товара, кг
0,00007
Вес упаковки, кг
0.00001
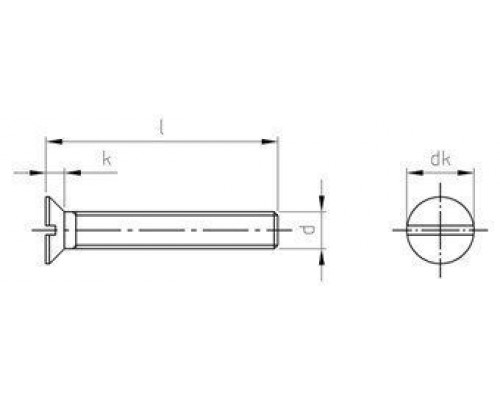
Высота головки, мм
0.84
Диаметр головки, мм
2.6
Диаметр резьбы
M1.4
Длина, мм
5
Материал
нерж. сталь A4
Нагрузки
Разрыв: 500 Н/мм2
Тип головки
потайная
Тип резьбы
полная
Шлиц
SL
Отзывов: 0
Нет отзывов об этом товаре.
Вопросов: 0
Нет вопросов об этом товаре.
Похожие товары
Вы недавно смотрели