







Артикул:
a2a - 0963423 8-SCH
Есть в наличии
30.36 ₽
Минимальное количество заказа этого товара 1000
Доставка послезавтра и позже, от 5000 ₽
Обратите внимание. Наша компания работает со странами СНГ только через представительство в РФ.
Обратите внимание. Наша компания работает со странами СНГ только через представительство в РФ.
В упаковке
1000Вес единицы товара, кг
0,00027Basic
В упаковке
1000
Вес единицы товара, кг
0,00027
Вес упаковки, кг
0.00003
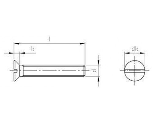
Высота головки, мм
1.5
Диаметр головки, мм
4.7
Диаметр резьбы
M2.3
Длина, мм
8
Материал
нерж. сталь A4
Нагрузки
Разрыв: 500 Н/мм2
Тип головки
потайная
Тип резьбы
полная
Шлиц
SL
Отзывов: 0
Нет отзывов об этом товаре.
Вопросов: 0
Нет вопросов об этом товаре.
Похожие товары
Вы недавно смотрели