







Артикул:
a2a - 0965425 12-SCH
Есть в наличии
2.65 ₽
Минимальное количество заказа этого товара 1000
Доставка послезавтра и позже, от 5000 ₽
Обратите внимание. Наша компания работает со странами СНГ только через представительство в РФ.
Обратите внимание. Наша компания работает со странами СНГ только через представительство в РФ.
В упаковке
1000Вес единицы товара, кг
0,00045Basic
В упаковке
1000
Вес единицы товара, кг
0,00045
Вес упаковки, кг
0.00005
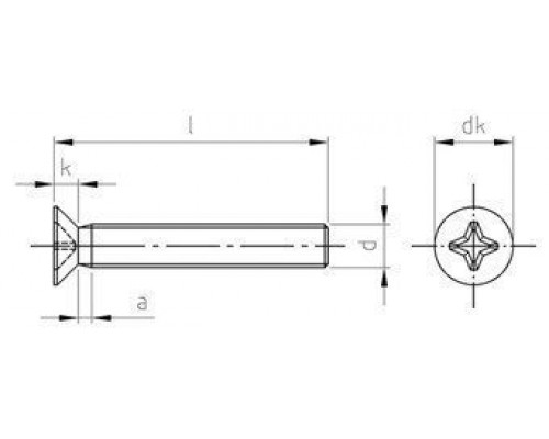
Высота головки, мм
1.5
Диаметр головки, мм
4.7
Диаметр резьбы
M2.5
Длина, мм
12
Материал
нерж. сталь A4
Нагрузки
Разрыв: 500 Н/мм2
Размер шлица
P1
Тип головки
потайная
Тип резьбы
полная
Шлиц
PH
Отзывов: 0
Нет отзывов об этом товаре.
Вопросов: 0
Нет вопросов об этом товаре.
Похожие товары
Вы недавно смотрели