







Артикул:
a2a - 096644 20-SCH
Есть в наличии
6.68 ₽
Минимальное количество заказа этого товара 500
Доставка послезавтра и позже, от 5000 ₽
Обратите внимание. Наша компания работает со странами СНГ только через представительство в РФ.
Обратите внимание. Наша компания работает со странами СНГ только через представительство в РФ.
В упаковке
500Вес единицы товара, кг
0,00199Basic
В упаковке
500
Вес единицы товара, кг
0,00199
Вес упаковки, кг
0.0004
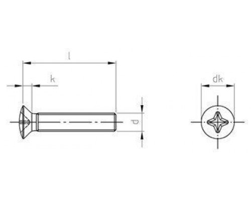
Высота головки, мм
2.2
Диаметр головки, мм
7.5
Диаметр резьбы
M4
Длина, мм
20
Материал
нерж. сталь A4
Нагрузки
Разрыв: 500 Н/мм2
Размер шлица
P2
Тип головки
полупотайная
Тип резьбы
полная
Шлиц
PH
Отзывов: 0
Нет отзывов об этом товаре.
Вопросов: 0
Нет вопросов об этом товаре.
Похожие товары
Вы недавно смотрели