







Артикул:
a2a - 1064248 160-SCH
Есть в наличии
245.78 ₽
Минимальное количество заказа этого товара 50
Доставка послезавтра и позже, от 5000 ₽
Обратите внимание. Наша компания работает со странами СНГ только через представительство в РФ.
Обратите внимание. Наша компания работает со странами СНГ только через представительство в РФ.
В упаковке
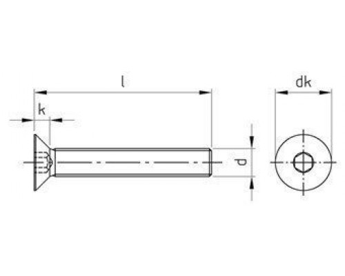
50Вес единицы товара, кг
0,0535Basic
В упаковке
50
Вес единицы товара, кг
0,0535
Вес упаковки, кг
0.107
Высота головки, мм
4.96
Диаметр головки, мм
17.92
Диаметр резьбы
M8
Длина, мм
160
Материал
нерж. сталь A4
Нагрузки
Разрыв: 500 Н/мм2
Размер шлица
SW5
Тип головки
потайная
Тип резьбы
полная
Шлиц
HEX
Отзывов: 0
Нет отзывов об этом товаре.
Вопросов: 0
Нет вопросов об этом товаре.
Похожие товары
Вы недавно смотрели