







Артикул:
a2a - 1458322 14-SCH
Есть в наличии
1.79 ₽
Минимальное количество заказа этого товара 1000
Доставка послезавтра и позже, от 5000 ₽
Обратите внимание. Наша компания работает со странами СНГ только через представительство в РФ.
Обратите внимание. Наша компания работает со странами СНГ только через представительство в РФ.
В упаковке
1000Вес единицы товара, кг
0,00038Basic
В упаковке
1000
Вес единицы товара, кг
0,00038
Вес упаковки, кг
0.00004
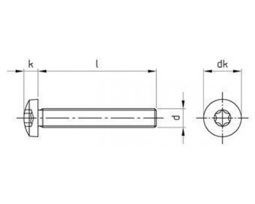
Высота головки, мм
1.6
Диаметр головки, мм
4
Диаметр резьбы
M2
Длина, мм
14
Материал
нерж. сталь A2
Нагрузки
Разрыв: 500 Н/мм2
Размер шлица
TX6
Тип головки
цилиндрическая
Тип резьбы
полная
Шлиц
TX
Отзывов: 0
Нет отзывов об этом товаре.
Вопросов: 0
Нет вопросов об этом товаре.
Похожие товары
Вы недавно смотрели