







Артикул:
a2a - 135256-000
Есть в наличии
1.42 ₽
Минимальное количество заказа этого товара 500
Доставка послезавтра и позже, от 5000 ₽
Обратите внимание. Наша компания работает со странами СНГ только через представительство в РФ.
Обратите внимание. Наша компания работает со странами СНГ только через представительство в РФ.
В упаковке
500Вес единицы товара, кг
0,00063Basic
В упаковке
500
Вес единицы товара, кг
0,00063
Вес упаковки, кг
0.00014
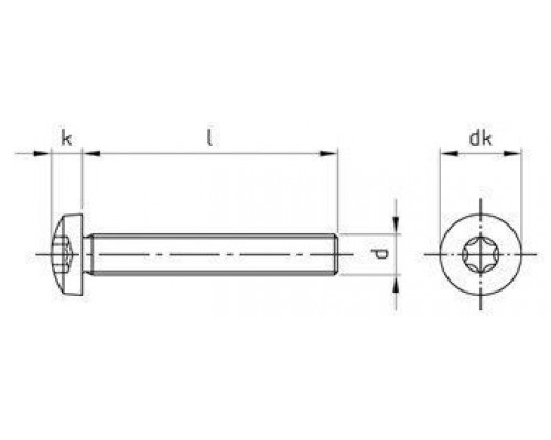
Высота головки, мм
2.4
Диаметр головки, мм
5.6
Диаметр резьбы
M3
Длина, мм
6
Материал
нерж. сталь A2
Нагрузки
Разрыв: 500 Н/мм2
Размер шлица
TX10
Тип головки
цилиндрическая
Тип резьбы
полная
Шлиц
TX
Отзывов: 0
Нет отзывов об этом товаре.
Вопросов: 0
Нет вопросов об этом товаре.
Похожие товары
Вы недавно смотрели