







Артикул:
a2a - 1458348 100-SCH
Есть в наличии
92.51 ₽
Минимальное количество заказа этого товара 100
Доставка послезавтра и позже, от 5000 ₽
Обратите внимание. Наша компания работает со странами СНГ только через представительство в РФ.
Обратите внимание. Наша компания работает со странами СНГ только через представительство в РФ.
В упаковке
100Вес единицы товара, кг
0,0399Basic
В упаковке
100
Вес единицы товара, кг
0,0399
Вес упаковки, кг
0.0399
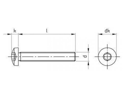
Высота головки, мм
6
Диаметр головки, мм
16
Диаметр резьбы
M8
Длина, мм
100
Материал
нерж. сталь A4
Нагрузки
Разрыв: 500 Н/мм2
Размер шлица
TX45
Тип головки
цилиндрическая
Тип резьбы
полная
Шлиц
TX
Отзывов: 0
Нет отзывов об этом товаре.
Вопросов: 0
Нет вопросов об этом товаре.
Похожие товары
Вы недавно смотрели