





Артикул:
a2a - 67532-000
Есть в наличии
Доставка послезавтра и позже, от 5000 ₽
Обратите внимание. Наша компания работает со странами СНГ только через представительство в РФ.
Обратите внимание. Наша компания работает со странами СНГ только через представительство в РФ.
В упаковке
200 штВес единицы товара, кг
0,0006Basic
В упаковке
200 шт
Вес единицы товара, кг
0,0006
Вес упаковки, кг
0.0003
Высота, мм
1
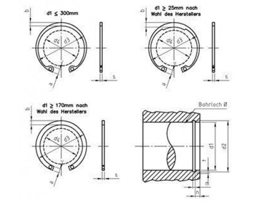
Диаметр внутренний, мм
16
Диаметр, мм
17.3
Дополнительные параметры
Ширина ушка: 3.8 мм
Материал
нерж. сталь SM 1.4122
Ширина, мм
2
Отзывов: 0
Нет отзывов об этом товаре.
Вопросов: 0
Нет вопросов об этом товаре.
Похожие товары
Вы недавно смотрели