





Артикул:
a2a - 0472258-SCH
Есть в наличии
222.46 ₽
Минимальное количество заказа этого товара 25
Доставка послезавтра и позже, от 5000 ₽
Обратите внимание. Наша компания работает со странами СНГ только через представительство в РФ.
Обратите внимание. Наша компания работает со странами СНГ только через представительство в РФ.
В упаковке
25 штВес единицы товара, кг
0,0105Basic
В упаковке
25 шт
Вес единицы товара, кг
0,0105
Вес упаковки, кг
0.042
Высота, мм
2
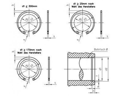
Диаметр внутренний, мм
58
Диаметр, мм
62.2
Дополнительные параметры
Ширина ушка: 6.9 мм
Материал
нерж. сталь SM 1.4122
Ширина, мм
5.2
Отзывов: 0
Нет отзывов об этом товаре.
Вопросов: 0
Нет вопросов об этом товаре.
Похожие товары
Вы недавно смотрели