- АртикулFISH-69675-000
- НаличиеВ наличии
Обратите внимание. Наша компания работает со странами СНГ только через представительство в РФ.
|
Материал: Желтый цинк / оцинкованная сталь |
|
Применение: Установка несущих металлических конструкций, ограждений, кронштейнов, монтаж оборудования и различных агрегатов, инженерных систем и т.д. Изделие используется для установки различных элементов и конструкций на несущие основания из бетона, полнотелого кирпича и природного камня. |
|
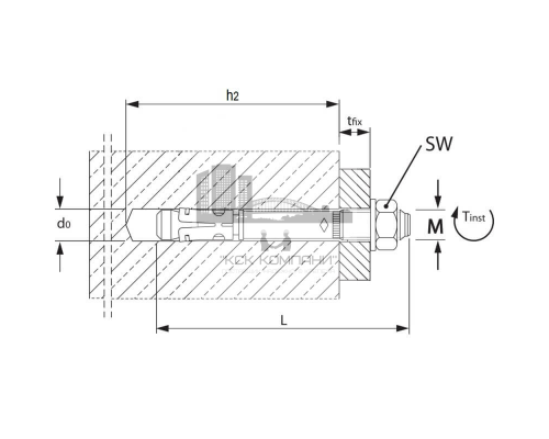
Особенности: Крепеж изготовлен из стали с защитным цинковым покрытием и дополнительным защитным слоем, образованным при пассивации. Конструктивно он состоит из подвижной втулки распорного элемента и шпильки с конусообразной нижней частью. На верхнюю резьбовую часть шпильки установлена шайба и накручена гайка шестигранной формы, при затяжке гайки конус распирает втулку анкера и приводит к его фиксации в материале основания. |
|
Допущен для использования с материалами: Бетон, полнотелый кирпич, природный камень. |
|
Аналоги: FBN II K Fischer |
|
Производитель: Россия / Китай |
Нет отзывов об этом товаре.
