- Код товара175783
- НаличиеВ наличии
- Диаметр просверленного отверстия, мм12
- Диаметр резьбыM10
- Все характеристики
🔥 Акция до 1 Апреля!
Доставка до любой ТК в г. Москве (любой вес и объем)
ЗА НАШ СЧЕТ!
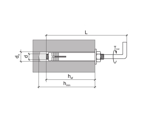
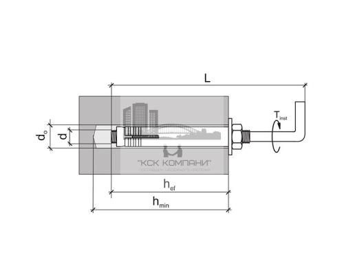
Для фиксации тяжеловесных металлических конструкций задействуют Г образный анкерный болт. Крепёжный элемент характеризуется лёгкостью применения, для установки потребуется заранее просверлить гнездо. Анкер болт с Г образным крюком оснащен конусной гайкой, распорными лепестками и выступами, обеспечивающими лучшую фиксацию.
Описание
Размеры анкерного болта с Г крюком варьируются от М8 до М20, что обеспечивает универсальность применения. Метиз обладает улучшенным уровнем расклинивания, что позволяет применять его не только в твёрдых основаниях, но и пористых. Втулка анкерного болта с Г образным крюком производится из цинковой стали, что позволяет избежать образования коррозии.
Преимущества
- Возможность эксплуатации во влажной среде.
- Большой срок службы.
- Простота монтажа и демонтажа
- Доступная цена.
Применение
Анкерный болт костыль c Г образным крюком используют для установки отопительных и вентиляционных систем, перегородок, кабелей, тросов и т.д. Анкерный метиз широко востребован в быту, строительстве, некоторых производственных сегментах.
Свойства и преимущества
Анкерный болт c Г образным прямым крюком изготовлен из прочной оцинкованной стали;
пассивированное покрытие обеспечивает антикоррозийную защиту;
простота в монтаже, не нуждается в уходе;
распорные фиксирующие лепестки на втулке анкерного болта c Г крюком автоматически срабатывают при монтаже крепления.
Технические характеристики
- Материал: желтый цинк / оцинкованная сталь
- Материал основания: Бетон, Камнь, Полнотелый кирпич.
- Аналоги: нет
- Производитель: Россия / Китай
- Форма: с Г образным крюком
Как купить
Чтобы купить анкерный болт с г крюком или получить дополнительную консультацию, свяжитесь с нашим менеджером, вся контактная информация указана на сайте.
Характеристики
- Диаметр просверленного отверстия, мм12
- Диаметр резьбыM10
- Диаметр, мм12
- Длина, мм130
- МатериалЖелтое пассивирование
- Материал основаниябетон, природный камень, полнотелый кирпич
- МодельАБГОК12X130
- Назначениедля крепления навесного оборудования
- ПроизводительOPK
- РазмерM10 12x130 мм
- Страна брендаРоссия
- Страна производстваРоссия / Китай
- Тип головыГ образная
Нет отзывов об этом товаре.
