- Код товара175830
- НаличиеВ наличии
- Вес нетто шт./кг0.0322
- Диаметр просверленного отверстия, мм10
- Все характеристики
🔥 Акция до 1 Апреля!
Доставка до любой ТК в г. Москве (любой вес и объем)
ЗА НАШ СЧЕТ!
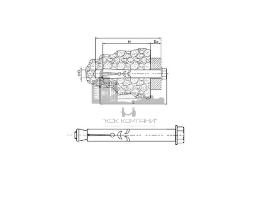
Для фиксации тяжёлых и габаритных конструкций используется анкерный болт с шестигранной гайкой. Крепёжный элемент имеет простой принцип работы, конструкция состоит из стержня с резьбой и головки. Анкерный болт по бетону с гайкой устанавливается в заранее подготовленное отверстие, в процессе затяжки распираются втулки, создавая надёжное соединение.
Описание
Анкерный болт с гайкой производится из оцинкованной стали. Это обеспечивает стойкость к влаге, ржавчине, механическому воздействию, перепадам температур. Крепёжный элемент способен выдерживать высокие нагрузки, но не экстремальные, как двухраспорные аналоги.
Размеры анкерного болта с гайкой, реализуемого в Москве, варьируются от М5 до М16 мм, что обеспечивает универсальность применения.
Преимущества
- Простота монтажа.
- Большой срок службы.
- Доступная цена анкерного болта с гайкой.
- Динамическая и вибрационная прочность.
Применение
Крепёжный элемент широко востребован в частном строительстве, быту, некоторых промышленных сегментах.
Свойства и преимущества
- анкерный болт с гайкой из оцинкованной стали имеет цинковое покрытие, предохраняет от коррозийных процессов;
- гарантирует надежное соединение даже в сложных условиях;
- быстрый и не трудозатратный монтаж.
Технические характеристики
- Материал: желтый цинк / оцинкованная сталь
- Материал основания: Бетон, Камень, Полнотелый кирпич.
- Аналоги: FSA-B FISCHER, MHA-B Mungo, R-SPL-BP RAWLPLUG
- Производитель: Россия / Китай
Как купить
Чтобы купить анкерный болт с гайкой или получить дополнительную консультацию, свяжитесь с нашим менеджером, вся контактная информация указана на сайте.
Характеристики
- Вес нетто шт./кг0.0322
- Диаметр просверленного отверстия, мм10
- Диаметр резьбыM8
- Диаметр, мм10
- Длина, мм50
- Допустимые нагрузки (Срез/Вырыв)Минимальная вырывающая сила, кН (бетон В25) 1.7
- МатериалОцинкованная сталь
- Материал основаниябетон, природный камень, полнотелый кирпич
- МодельАБГ10X50 M8
- Назначениемонтаж на объектах повышенной, средней и малой нагрузок
- ПроизводительOPK
- РазмерM8 10x50 мм
- Страна брендаРоссия
- Страна производстваРоссия / Китай
- Тип головышестигранная
- Толщина прикрепляемого материала (Полезная длина, мм)10
Нет отзывов об этом товаре.
