









Артикул:
a2a - 906428-SCH
Есть в наличии
40.60 ₽
Минимальное количество заказа этого товара 50
Доставка послезавтра и позже, от 5000 ₽
Обратите внимание. Наша компания работает со странами СНГ только через представительство в РФ.
Обратите внимание. Наша компания работает со странами СНГ только через представительство в РФ.
В упаковке
50Вес единицы товара, кг
0,0056Basic
В упаковке
50
Вес единицы товара, кг
0,0056
Вес упаковки, кг
0.0112
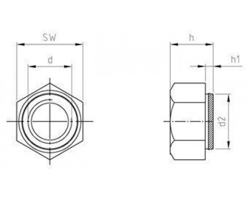
Высота, мм
6.5
Диаметр головки, мм
10.3
Диаметр резьбы
M8
Материал
нерж. сталь A2
Нагрузки
Предельная: 50 кН/см2
Размер под ключ
SW13
Отзывов: 0
Нет отзывов об этом товаре.
Вопросов: 0
Нет вопросов об этом товаре.
Похожие товары
Вы недавно смотрели