







Артикул:
a2a - 245793-000
Есть в наличии
5.36 ₽
Минимальное количество заказа этого товара 500
Доставка послезавтра и позже, от 5000 ₽
Обратите внимание. Наша компания работает со странами СНГ только через представительство в РФ.
Обратите внимание. Наша компания работает со странами СНГ только через представительство в РФ.
В упаковке
500Вес единицы товара, кг
0,00086Basic
В упаковке
500
Вес единицы товара, кг
0,00086
Вес упаковки, кг
0.0006
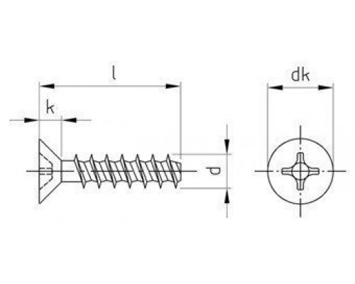
Высота головки, мм
2.7
Диаметр головки, мм
8.4
Диаметр, мм
4
Длина, мм
8
Материал
нерж. сталь A2
Тип головки
потайная
Тип резьбы
полная
Шлиц
PH
Отзывов: 0
Нет отзывов об этом товаре.
Вопросов: 0
Нет вопросов об этом товаре.
Похожие товары
Вы недавно смотрели