





Артикул:
a2a - 238307-000
Есть в наличии
885.61 ₽
Минимальное количество заказа этого товара 10
Доставка послезавтра и позже, от 5000 ₽
Обратите внимание. Наша компания работает со странами СНГ только через представительство в РФ.
Обратите внимание. Наша компания работает со странами СНГ только через представительство в РФ.
В упаковке
10 штВес единицы товара, кг
0,038Basic
В упаковке
10 шт
Вес единицы товара, кг
0,038
Вес упаковки, кг
0.38
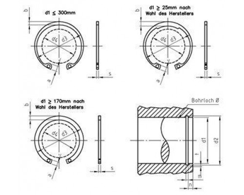
Высота, мм
3
Диаметр внутренний, мм
100
Диаметр, мм
105.5
Дополнительные параметры
Ширина ушка: 9.2 мм
Материал
нерж. сталь SM 1.4122
Ширина, мм
8.4
Отзывов: 0
Нет отзывов об этом товаре.
Вопросов: 0
Нет вопросов об этом товаре.
Похожие товары
Вы недавно смотрели