





Артикул:
a2a - 67541-000
Есть в наличии
46.35 ₽
Минимальное количество заказа этого товара 50
Доставка послезавтра и позже, от 5000 ₽
Обратите внимание. Наша компания работает со странами СНГ только через представительство в РФ.
Обратите внимание. Наша компания работает со странами СНГ только через представительство в РФ.
В упаковке
50 штВес единицы товара, кг
0,0018Basic
В упаковке
50 шт
Вес единицы товара, кг
0,0018
Вес упаковки, кг
0.0036
Высота, мм
1.2
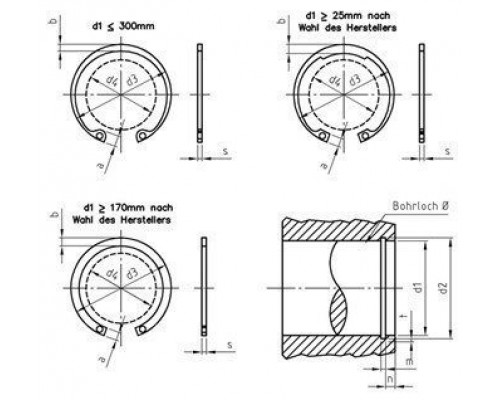
Диаметр внутренний, мм
28
Диаметр, мм
30.1
Дополнительные параметры
Ширина ушка: 4.8 мм
Материал
нерж. сталь SM 1.4122
Ширина, мм
2.9
Отзывов: 0
Нет отзывов об этом товаре.
Вопросов: 0
Нет вопросов об этом товаре.
Похожие товары
Вы недавно смотрели