





Артикул:
a2a - 0472244-SCH
Есть в наличии
203.76 ₽
Минимальное количество заказа этого товара 25
Доставка послезавтра и позже, от 5000 ₽
Обратите внимание. Наша компания работает со странами СНГ только через представительство в РФ.
Обратите внимание. Наша компания работает со странами СНГ только через представительство в РФ.
В упаковке
25 штВес единицы товара, кг
0,0058Basic
В упаковке
25 шт
Вес единицы товара, кг
0,0058
Вес упаковки, кг
0.0232
Высота, мм
1.75
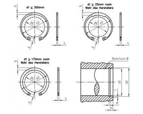
Диаметр внутренний, мм
44
Диаметр, мм
47.5
Дополнительные параметры
Ширина ушка: 6 мм
Материал
нерж. сталь SM 1.4122
Ширина, мм
4.2
Отзывов: 0
Нет отзывов об этом товаре.
Вопросов: 0
Нет вопросов об этом товаре.
Похожие товары
Вы недавно смотрели