





Артикул:
a2a - 0472453236-SCH
Есть в наличии
417.61 ₽
Минимальное количество заказа этого товара 25
Доставка послезавтра и позже, от 5000 ₽
Обратите внимание. Наша компания работает со странами СНГ только через представительство в РФ.
Обратите внимание. Наша компания работает со странами СНГ только через представительство в РФ.
В упаковке
25 штВес единицы товара, кг
0,0037Basic
В упаковке
25 шт
Вес единицы товара, кг
0,0037
Вес упаковки, кг
0.0148
Высота, мм
1.5
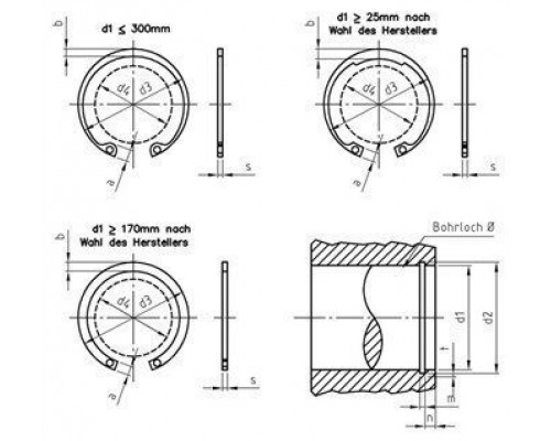
Диаметр внутренний, мм
36
Диаметр, мм
38.8
Дополнительные параметры
Ширина ушка: 5.4 мм
Материал
нерж. сталь SM 1.4532
Ширина, мм
3.5
Отзывов: 0
Нет отзывов об этом товаре.
Вопросов: 0
Нет вопросов об этом товаре.
Похожие товары
Вы недавно смотрели