





Артикул:
a2a - 04722130-SCH
Есть в наличии
3593.70 ₽
Минимальное количество заказа этого товара 10
Доставка послезавтра и позже, от 5000 ₽
Обратите внимание. Наша компания работает со странами СНГ только через представительство в РФ.
Обратите внимание. Наша компания работает со странами СНГ только через представительство в РФ.
В упаковке
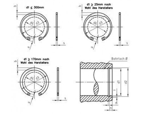
10 штВес единицы товара, кг
0,082Basic
В упаковке
10 шт
Вес единицы товара, кг
0,082
Вес упаковки, кг
0.82
Высота, мм
4
Диаметр внутренний, мм
130
Диаметр, мм
137
Дополнительные параметры
Ширина ушка: 11 мм
Материал
нерж. сталь A1
Ширина, мм
10.2
Отзывов: 0
Нет отзывов об этом товаре.
Вопросов: 0
Нет вопросов об этом товаре.
Похожие товары
Вы недавно смотрели