- Артикулa2a - 0546410-SCH
- НаличиеВ наличии
80.81 ₽
Минимальное количество заказа этого товара 50
- В упаковке50
- Вес единицы товара, кг0,0115
- Все характеристики
Доставка послезавтра и позже, от 5000 ₽
Обратите внимание. Наша компания работает со странами СНГ только через представительство в РФ.
Обратите внимание. Наша компания работает со странами СНГ только через представительство в РФ.
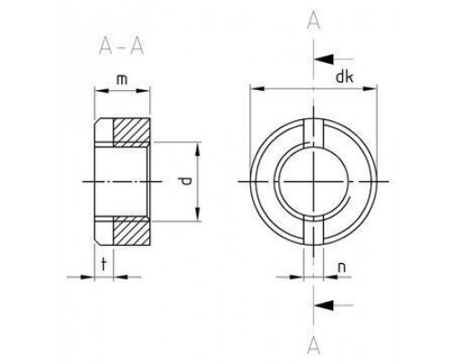
DIN 546 Гайка нержавеющая круглая шлицевая (с прорезями)
Данный метиз имеет круглую форму со специальными шлицевыми прорезями в торцевой части гайки. Гайка круглая шлицевая навинчивается на болты или винты для более надежной фиксации.
Гайка шлицевая является аналогом европейского стандарта DIN 546 и российского ГОСТ 11871-88. Возможно изготовление из нержавеющей стали А1 и А4. Возможно производство с покрытием цинк, никель, хром, либо поставляется без покрытия. Производится размерами от М2 до М16.
Преимущества и особенности:
- - стойкость к коррозии;
- - увеличение надежности фиксации соединений;
- - монтируется с помощью обычной отвертки с плоским шлицем.
Применение:
Гайка круглая шлицевая применяется в строительстве, сферах автомобилестроения и производстве приборов и механизмов. Используется вместе с цилиндрическими изделиями.
Basic
- В упаковке50
- Вес единицы товара, кг0,0115
- Вес упаковки, кг0.023
- Высота, мм8
- Диаметр резьбыM10
- Диаметр, мм18
- Материалнерж. сталь A4
- НагрузкиПредельная: 50 кН/см2
Отзывов: 0
Нет отзывов об этом товаре.
Похожие товары
Вы недавно смотрели
Art. 9047 A2 8,0X260/80 TX40 Саморез универсальный с потайной головой и шлицем TORX нержавеющий
Есть в наличии
235.14 ₽
Art. 9050 A2 4,5X30 Z Саморез с потайной головой и шлицем PZ нержавеющий универсальный
Есть в наличии
2.71 ₽
