







Обратите внимание. Наша компания работает со странами СНГ только через представительство в РФ.
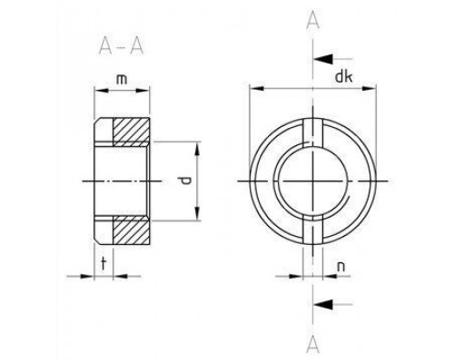
DIN 546 Гайка нержавеющая круглая шлицевая (с прорезями)
Данный метиз имеет круглую форму со специальными шлицевыми прорезями в торцевой части гайки. Гайка круглая шлицевая навинчивается на болты или винты для более надежной фиксации.
Гайка шлицевая является аналогом европейского стандарта DIN 546 и российского ГОСТ 11871-88. Возможно изготовление из нержавеющей стали А1 и А4. Возможно производство с покрытием цинк, никель, хром, либо поставляется без покрытия. Производится размерами от М2 до М16.
Преимущества и особенности:
- - стойкость к коррозии;
- - увеличение надежности фиксации соединений;
- - монтируется с помощью обычной отвертки с плоским шлицем.
Применение:
Гайка круглая шлицевая применяется в строительстве, сферах автомобилестроения и производстве приборов и механизмов. Используется вместе с цилиндрическими изделиями.
Basic
Нет отзывов об этом товаре.
Нет вопросов об этом товаре.