- АртикулFISH-57465-000
- НаличиеВ наличии
Обратите внимание. Наша компания работает со странами СНГ только через представительство в РФ.
|
Материал: Алюминий / Сталь |
|
Применение: Крепления облицовочных плит, откосов и других дополнительных элементов при монтаже окон, для внутренних работ при креплении неметаллических материалов для соединений и алюминиевых конструкций.
|
|
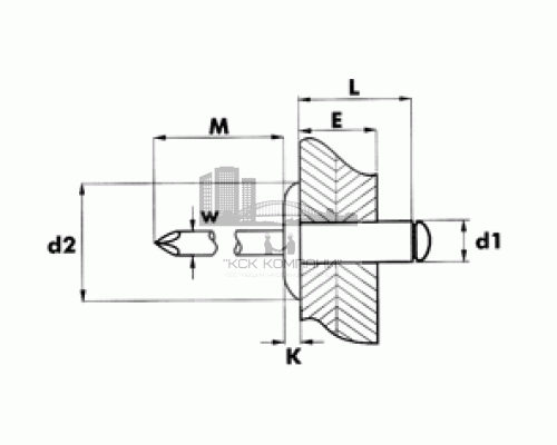
Размеры: Диаметр вытяжной заклепки, d1: 4-5 мм; Диаметр бортика d2: 10-14 мм; Длина вытяжной заклепки, L: мин. 8-30 мм, Толщина скрепляемого материала min-max: 2-26 мм, |
|
Сопутствующие товары из категории: Вытяжные заклепки, заклепки гаечные (резьбовые), забивные заклепки (под молоток). |
|
Аналоги:
|
|
Другие варианты заклепок: Заклепка DIN 660, Заклепка DIN 661, Заклепка DIN 1476, Заклепка DIN 7337, Заклепка-гайка (WS 9318), Заклепка-гайка (WS 9317), Заклепка-гайка с потайным бортиком, Заклепка-гайка с уменьшенным бортиком, Заклепка-гайка с бортиком / фланцем. |
Нет отзывов об этом товаре.
