







Артикул:
a2a - 7985425 3-SCH
Есть в наличии
2.63 ₽
Минимальное количество заказа этого товара 1000
Доставка послезавтра и позже, от 5000 ₽
Обратите внимание. Наша компания работает со странами СНГ только через представительство в РФ.
Обратите внимание. Наша компания работает со странами СНГ только через представительство в РФ.
В упаковке
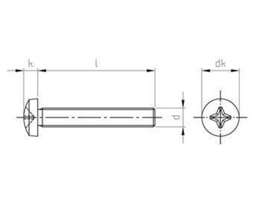
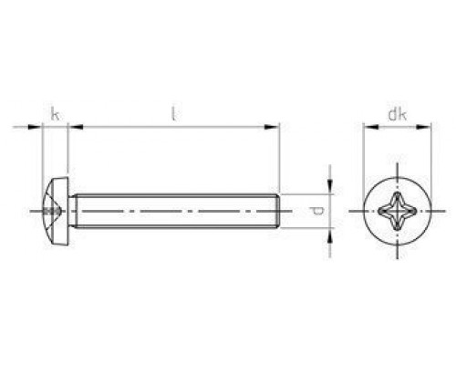
1000Вес единицы товара, кг
0,00034Basic
В упаковке
1000
Вес единицы товара, кг
0,00034
Вес упаковки, кг
0.00003
Высота головки, мм
2
Диаметр головки, мм
5
Диаметр резьбы
M2.5
Длина, мм
3
Материал
нерж. сталь A4
Нагрузки
Разрыв: 500 Н/мм2
Размер шлица
P1
Тип головки
цилиндрическая скругленная
Тип резьбы
полная
Шлиц
PH
Отзывов: 0
Нет отзывов об этом товаре.
Вопросов: 0
Нет вопросов об этом товаре.
Похожие товары
Вы недавно смотрели