- Артикулa2a - 14583425 3-SCH
- НаличиеВ наличии
2.78 ₽
Минимальное количество заказа этого товара 1000
- В упаковке1000
- Вес единицы товара, кг0,00034
- Все характеристики
Доставка послезавтра и позже, от 5000 ₽
Обратите внимание. Наша компания работает со странами СНГ только через представительство в РФ.
Обратите внимание. Наша компания работает со странами СНГ только через представительство в РФ.
Basic
- В упаковке1000
- Вес единицы товара, кг0,00034
- Вес упаковки, кг0.00003
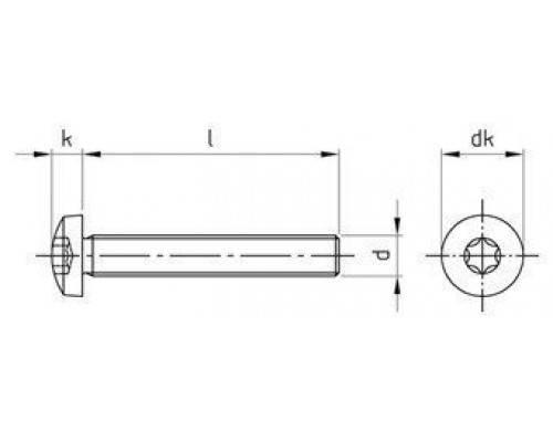
- Высота головки, мм2.1
- Диаметр головки, мм5
- Диаметр резьбыM2.5
- Длина, мм3
- Материалнерж. сталь A4
- НагрузкиРазрыв: 500 Н/мм2
- Размер шлицаTX8
- Тип головкицилиндрическая
- Тип резьбыполная
- ШлицTX
Отзывов: 0
Нет отзывов об этом товаре.
DIN 7985 A4 M 2
5X3 TX8 Винт нержавеющий с полукруглой головой и звездообразным шлицем TX (TORX)
147778
a2a - 14583425 3-SCH
DIN 7985
Похожие товары
Вы недавно смотрели
ISO 10642 A2 M 6X90 Винт с потайной головой и внутренним шестигранником нержавеющий
Есть в наличии
42.41 ₽
ISO 10642 A2 M 5X18 Винт с потайной головой и внутренним шестигранником нержавеющий
Есть в наличии
4.28 ₽
ISO 10642 A4 M 12X55 Винт с потайной головой и внутренним шестигранником нержавеющий
Есть в наличии
111.81 ₽
