







Артикул:
a2a - 798546 18-SCH
Есть в наличии
19.43 ₽
Минимальное количество заказа этого товара 500
Доставка послезавтра и позже, от 5000 ₽
Обратите внимание. Наша компания работает со странами СНГ только через представительство в РФ.
Обратите внимание. Наша компания работает со странами СНГ только через представительство в РФ.
В упаковке
500Вес единицы товара, кг
0,00654Basic
В упаковке
500
Вес единицы товара, кг
0,00654
Вес упаковки, кг
0.0013
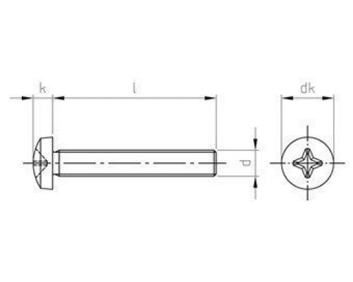
Высота головки, мм
4.6
Диаметр головки, мм
12
Диаметр резьбы
M6
Длина, мм
18
Материал
нерж. сталь A4
Нагрузки
Разрыв: 700 Н/мм2
Размер шлица
P3
Тип головки
цилиндрическая скругленная
Тип резьбы
полная
Шлиц
PH
Отзывов: 0
Нет отзывов об этом товаре.
Вопросов: 0
Нет вопросов об этом товаре.
Похожие товары
Вы недавно смотрели