







Артикул:
a2a - 0912225 18-SCH
Есть в наличии
5.14 ₽
Минимальное количество заказа этого товара 500
Доставка послезавтра и позже, от 5000 ₽
Обратите внимание. Наша компания работает со странами СНГ только через представительство в РФ.
Обратите внимание. Наша компания работает со странами СНГ только через представительство в РФ.
В упаковке
500Вес единицы товара, кг
0,00076Basic
В упаковке
500
Вес единицы товара, кг
0,00076
Вес упаковки, кг
0.00016
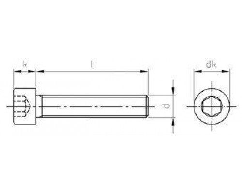
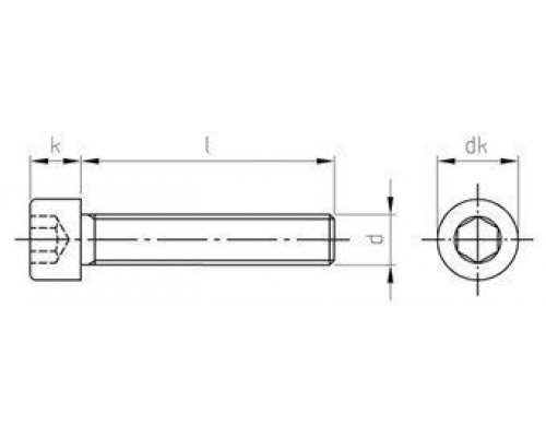
Высота головки, мм
2.5
Диаметр головки, мм
4.5
Диаметр резьбы
M2.5
Длина, мм
18
Материал
нерж. сталь A2
Нагрузки
Разрыв: 500 Н/мм2
Покрытие
нет
Размер шлица
SW2
Тип
без насечки
Тип головки
цилиндрическая
Тип резьбы
полная
Шлиц
HEX
Отзывов: 0
Нет отзывов об этом товаре.
Вопросов: 0
Нет вопросов об этом товаре.
Похожие товары