- Артикулa2a - 133980-000
- НаличиеВ наличии
- В упаковке1000
- Вес единицы товара, кг0,00064
- Все характеристики
Доставка послезавтра и позже, от 5000 ₽
Обратите внимание. Наша компания работает со странами СНГ только через представительство в РФ.
Обратите внимание. Наша компания работает со странами СНГ только через представительство в РФ.
Basic
- В упаковке1000
- Вес единицы товара, кг0,00064
- Вес упаковки, кг0.00006
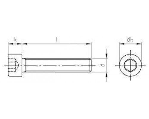
- Высота головки, мм3
- Диаметр головки, мм5.5
- Диаметр резьбыM3
- Длина, мм4
- Материалнерж. сталь A2
- НагрузкиРазрыв: 500 Н/мм2
- Покрытиенет
- Размер шлицаSW2.5
- Типбез насечки
- Тип головкицилиндрическая
- Тип резьбыполная
- ШлицHEX
Отзывов: 0
Нет отзывов об этом товаре.
DIN 912 A2 M 3X4 Винт с внутренним шестигранником
цилиндрической головой и неполной резьбой нержавеющий
150408
a2a - 133980-000
DIN 912
Похожие товары
Вы недавно смотрели
Art. 316 A4 M 12X16 Винт-барашек с прямоугольными лепестками нержавеющий американский тип
Есть в наличии
372.99 ₽
DIN 7996 A2 3,0X20 Z Шуруп по дереву с полукруглой головой и крестообразным шлицем PZ
Есть в наличии
3.08 ₽
DIN 553 AISI 303 M 5X12 Винт установочный нержавеющий с коническим концом и прямым шлицем
Есть в наличии
17.21 ₽
