







Артикул:
a2a - 09124806 14-SCH
Есть в наличии
12.30 ₽
Минимальное количество заказа этого товара 200
Доставка послезавтра и позже, от 5000 ₽
Обратите внимание. Наша компания работает со странами СНГ только через представительство в РФ.
Обратите внимание. Наша компания работает со странами СНГ только через представительство в РФ.
В упаковке
200Вес единицы товара, кг
0,0054Basic
В упаковке
200
Вес единицы товара, кг
0,0054
Вес упаковки, кг
0.0027
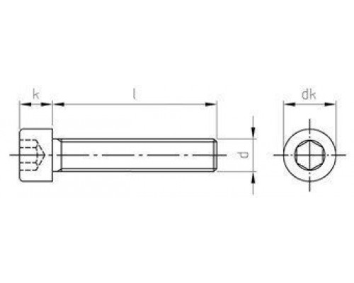
Высота головки, мм
6
Диаметр головки, мм
10
Диаметр резьбы
M6
Длина, мм
14
Материал
нерж. сталь A4-80
Нагрузки
Разрыв: 800 Н/мм2
Покрытие
нет
Размер шлица
SW5
Тип
без насечки
Тип головки
цилиндрическая
Тип резьбы
полная
Шлиц
HEX
Отзывов: 0
Нет отзывов об этом товаре.
Вопросов: 0
Нет вопросов об этом товаре.
Похожие товары
Вы недавно смотрели