







Артикул:
a2a - 09124016 5-SCH
Есть в наличии
10.05 ₽
Минимальное количество заказа этого товара 500
Доставка послезавтра и позже, от 5000 ₽
Обратите внимание. Наша компания работает со странами СНГ только через представительство в РФ.
Обратите внимание. Наша компания работает со странами СНГ только через представительство в РФ.
В упаковке
500Вес единицы товара, кг
0,00011Basic
В упаковке
500
Вес единицы товара, кг
0,00011
Вес упаковки, кг
0.00002
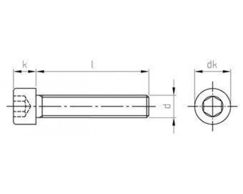
Высота головки, мм
1.6
Диаметр головки, мм
3
Диаметр резьбы
M1.6
Длина, мм
5
Материал
нерж. сталь A4
Нагрузки
Разрыв: 500 Н/мм2
Покрытие
нет
Размер шлица
SW1.5
Тип
без насечки
Тип головки
цилиндрическая
Тип резьбы
полная
Шлиц
HEX
Отзывов: 0
Нет отзывов об этом товаре.
Вопросов: 0
Нет вопросов об этом товаре.
Похожие товары
Вы недавно смотрели