







Артикул:
a2a - 096548 50-SCH
Есть в наличии
54.33 ₽
Минимальное количество заказа этого товара 200
Доставка послезавтра и позже, от 5000 ₽
Обратите внимание. Наша компания работает со странами СНГ только через представительство в РФ.
Обратите внимание. Наша компания работает со странами СНГ только через представительство в РФ.
В упаковке
200Вес единицы товара, кг
0,0178Basic
В упаковке
200
Вес единицы товара, кг
0,0178
Вес упаковки, кг
0.0089
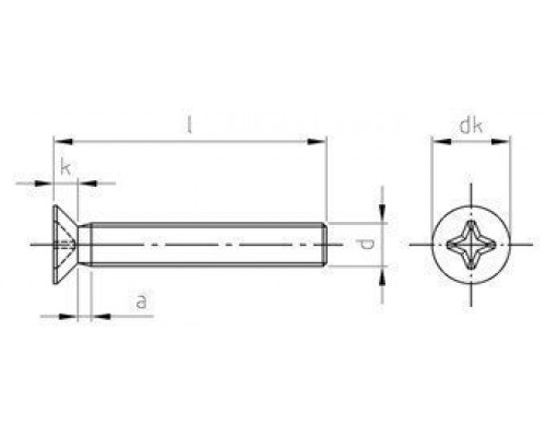
Высота головки, мм
4
Диаметр головки, мм
14.5
Диаметр резьбы
M8
Длина, мм
50
Материал
нерж. сталь A4
Нагрузки
Разрыв: 500 Н/мм2
Размер шлица
P4
Тип головки
потайная
Тип резьбы
полная
Шлиц
PH
Отзывов: 0
Нет отзывов об этом товаре.
Вопросов: 0
Нет вопросов об этом товаре.
Похожие товары
Вы недавно смотрели