- Код товара186244
- НаличиеВ наличии
- Диаметр резьбыM6
- Класс прочности4.0
- Все характеристики
🔥 Акция до 1 Апреля!
Доставка до любой ТК в г. Москве (любой вес и объем)
ЗА НАШ СЧЕТ!
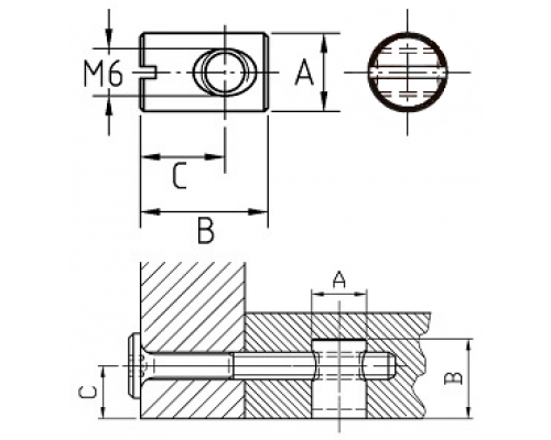
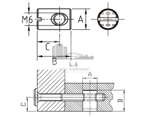
Гайка стяжка бочонок – это крепёжный элемент, характерной особенностью которого является проточное отверстие с резьбой разных типов. Изделие используется при сборке кресел, диванов, шкафов и другой мебели. Гайка бочонок мебельная реализуется с оцинкованным покрытием, что защищает метиз от коррозии, ржавчины, химических воздействий.
Описание гайки бочонок для мебели
Мебельные гайки бочонок бывают разных типов сечений, что обеспечивает универсальность применения. Для совмещения крепёжных осей может применяться прямой шлиц и шайба. Размеры также могут отличаться, что влияет на стоимость.
Преимущества
- Механическая прочность.
- Простота монтажа.
- Долговечность.
- Надёжность соединения.
Применение
Гайка мебельная потайная бочонок устанавливается в предварительно подготовленное отверстие. Заглубление крепёжного элемента производится молотком. Для равномерного распределения нагрузки, вместе с гайкой мебельной потайной стяжкой бочонок рекомендуется использовать увеличенную шайбу.
Технические характеристики
- Материал: Оцинкованная сталь
- Материал основания: дерево
- Производитель: Россия / Китай
Как купить
Чтобы купить гайку бочонок, просто добавьте товар в корзину, либо свяжитесь с нашим менеджером, все контакты указаны на сайте.
Basic
- Диаметр резьбыM6
- Класс прочности4.0
- МатериалОцинкованная сталь
- РазмерM6/10x18x9 мм
- Тип резьбыСтандартная
Нет отзывов об этом товаре.
