- Код товара186688
- НаличиеВ наличии
- DIN929
- Диаметр резьбыM8
- Все характеристики
🔥 Акция до 1 Апреля!
Доставка до любой ТК в г. Москве (любой вес и объем)
ЗА НАШ СЧЕТ!
Гайка приварная 929 широко известна во всех сферах промышленности, где требуется создание долговечных соединений. Данная модель ДИН 929 выполнена из высококачественной стали, поставляется без покрытия.
Особенности
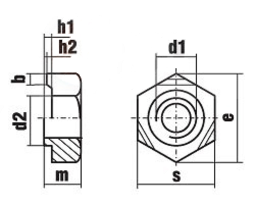
Din 929 гайка шестигранная приварная реализуется диаметром от М3 до М16. Размеры крепёжного элемента варьируются от 7.5 до 24 мм, высота – 3-13 мм. Метиз с резьбой до М8 имеет классические выступы с тыльной стороны, всё что выше – приварные кольца. Дополнительно применяются шпильки и болты.
Гайка DIN 929 используется в узлах с высокой вибрационной и динамической нагрузкой. Метиз также приваривается к тонкостенным конструкциям, на которых нет возможности организовать отверстие для резьбового соединения. Сварка осуществляется конденсаторным способом, что приводит к частичному расплавлению поверхности приварной гайки.
Преимущества
- Большой выбор размеров DIN 929.
- Стойкость к коррозии и резким перепадам температур.
- Резьба у метиза бывает стандартной или мелкой.
- Универсальность.
- Гарантия прочности и надёжности крепления.
Технические характеристики
- Материал: Сталь
- Аналоги: нет
- Производитель: Россия / Китай
Как купить
Чтобы купить приварную гайку дин 929 или получить дополнительную консультацию, свяжитесь с нашим менеджером, вся контактная информация указана на сайте.
Basic
- DIN929
- Диаметр резьбыM8
- Класс прочности6.0
- МатериалСталь без покрытия
- РазмерM8
- СтандартDIN 929
- Тип резьбыСтандартная
Нет отзывов об этом товаре.
