- Код товара172922
- НаличиеВ наличии
- DIN6331
- Диаметр резьбыM12
- Все характеристики
🔥 Акция до 1 Апреля!
Доставка до любой ТК в г. Москве (любой вес и объем)
ЗА НАШ СЧЕТ!
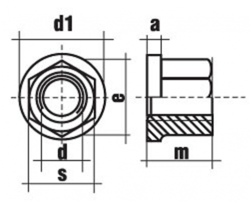
Гайка высокая с фланцем DIN 6331 становится всё более популярной на рынке. Конструктивно крепёжный элемент представляет собой шестигранный метиз с увеличенной площадью основания. Реализуются гайки DIN 6331 диаметром от М6 до М48, производятся из углеродистой стали с цинковым покрытием.
Описание
Наличие у гайки высокой с фланцем DIN 6331 гальванического оцинкованного покрытия обеспечивает высокую защиту от коррозии при расположении соединения на открытом воздухе. Метиз может использоваться в условиях повышенной влажности, не боится коррозии и перепадов температур.
Фланец с насечками обеспечивает защиту от самоотвинчивания и снижает нагрузку на опорную поверхность.
Преимущества высокой гайки ДИН 6331
- Универсальность.
- Долговечность.
- Прочность.
- Ускоренный процесс сборки.
Применение
Гайка высокая шестигранная с фланцем широко востребована в автомобилестроении, химической, пищевой отраслях. Крепёжный элемент используется при изготовлении строительной техники и различных инструментов.
Технические характеристики DIN 6331
- Материал: Оцинкованная сталь 10.0
- Аналоги: нет
- Производитель: Россия / Китай
Как купить
Чтобы купить DIN 6331 гайку высокую с фланцем или получить дополнительную консультацию, просто свяжитесь с нашим менеджером, все контакты есть на сайте.
Basic
- DIN6331
- Диаметр резьбыM12
- Класс прочности10.0
- МатериалОцинкованная сталь
- РазмерM12
- СтандартDIN 6331
- Тип резьбыСтандартная
Нет отзывов об этом товаре.
