- Код товара193617
- НаличиеВ наличии
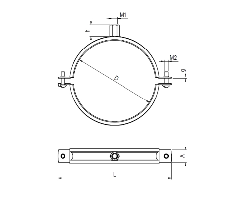
- МатериалОцинкованная сталь
- РазмерM8 d 500 мм
- Все характеристики
🔥 Акция до 1 Апреля!
Доставка до любой ТК в г. Москве (любой вес и объем)
ЗА НАШ СЧЕТ!
Для надёжной фиксации гибких и твёрдых систем задействуют хомут стальной для воздуховодов. Метиз может монтироваться как в вертикальном, так и горизонтальном направлении. Хомут для круглых воздуховодов покрыт защитным цинковым слоем, стойким к коррозионным процессам, ржавчине, кислотам, механическому воздействию.
Описание
Хомут для крепления воздуховодов характеризуется простотой монтажа, для установки используется длинный пруток с резьбой и анкер. Толщина крепежного элемента составляет 3 мм, цинкового слоя – 8-10 мкм. Метиз оснащен надёжными зажимами, что гарантирует надёжное крепление к основанию (стена, потолок, стойка).
Преимущества
- Высокий эксплуатационный ресурс.
- Доступная цена хомута для крепления воздуховодов.
- Простота установки и демонтажа.
- Динамическая и вибрационная прочность.
- Стойкость к температурным расширениям.
Применение
Крепежный элемент применяется для вентиляционных работ, также востребован при проведении ремонта, редко в быту.
Как купить
Чтобы купить хомут вентиляционный или получить дополнительную консультацию, свяжитесь с нашим специалистом, вся контактная информация указана на сайте.
Basic
- МатериалОцинкованная сталь
- РазмерM8 d 500 мм
Нет отзывов об этом товаре.
