- Код товара193626
- НаличиеВ наличии
- МатериалОцинкованная сталь
- РазмерM8 d 180 мм
- Все характеристики
🔥 Акция до 1 Апреля!
Доставка до любой ТК в г. Москве (любой вес и объем)
ЗА НАШ СЧЕТ!
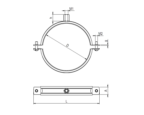
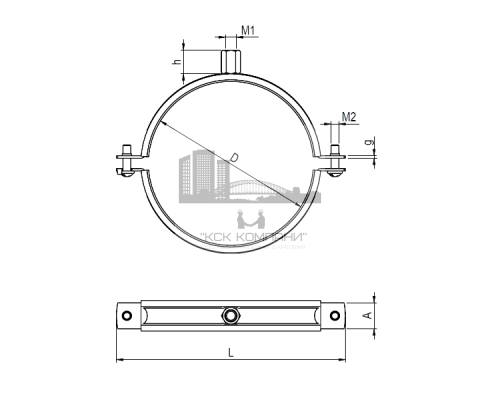
При организации вентиляционных систем часто используется хомут для воздуховода с резиновым профилем. Крепежный элемент оснащен прокладкой, выполненной из EPDM-резины. Это эластичный и прочный материал, позволяющий герметизировать соединение и снизить вибрацию и показатели шума.
Описание
Размеры хомутов для воздуховода с уплотнением варьируются от 80 до 1250 мм. Крепежный элемент позволяет прилеплять элементы вентиляционной системы к потолку, полу или стене. Метиз способен частично компенсировать тепловое расширение, характеризуется стойкостью к коррозии, ржавчине, механическому воздействию.
Преимущества
- Большой срок службы.
- Доступная цена хомутов для воздуховодов.
- Высокая скорость монтажа.
- Возможность регулирования стыковки труб.
- Динамическая и вибрационная прочность.
- Стойкость к температурным колебаниям.
Применение
Хомут вентиляционный с резиновым уплотнителем может применяться в различных условиях, в том числе, при постоянной повышенной влажности.
Как купить
Чтобы купить хомут для воздуховодов или получить дополнительную консультацию, свяжитесь с нашим специалистом, вся контактная информация указана на сайте.
Характеристики
- МатериалОцинкованная сталь
- РазмерM8 d 180 мм
Нет отзывов об этом товаре.
