







Артикул:
a2a - 10642210 65-SCH
Есть в наличии
64.79 ₽
Минимальное количество заказа этого товара 50
Доставка послезавтра и позже, от 5000 ₽
Обратите внимание. Наша компания работает со странами СНГ только через представительство в РФ.
Обратите внимание. Наша компания работает со странами СНГ только через представительство в РФ.
В упаковке
50Вес единицы товара, кг
0,0366Basic
В упаковке
50
Вес единицы товара, кг
0,0366
Вес упаковки, кг
0.0732
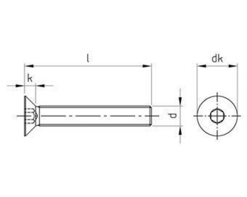
Высота головки, мм
6.2
Диаметр головки, мм
22.4
Диаметр резьбы
M10
Длина, мм
65
Материал
нерж. сталь A2
Нагрузки
Разрыв: 500 Н/мм2
Размер шлица
SW6
Тип головки
потайная
Тип резьбы
полная
Шлиц
HEX
Отзывов: 0
Нет отзывов об этом товаре.
Вопросов: 0
Нет вопросов об этом товаре.
Похожие товары