







Артикул:
a2a - 10642216 35-SCH
Есть в наличии
100.45 ₽
Минимальное количество заказа этого товара 25
Доставка послезавтра и позже, от 5000 ₽
Обратите внимание. Наша компания работает со странами СНГ только через представительство в РФ.
Обратите внимание. Наша компания работает со странами СНГ только через представительство в РФ.
В упаковке
25Вес единицы товара, кг
0,0584Basic
В упаковке
25
Вес единицы товара, кг
0,0584
Вес упаковки, кг
0.2336
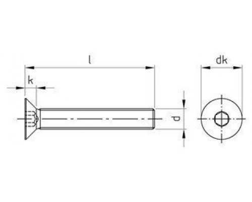
Высота головки, мм
8.8
Диаметр головки, мм
33.6
Диаметр резьбы
M16
Длина, мм
35
Материал
нерж. сталь A2
Нагрузки
Разрыв: 500 Н/мм2
Размер шлица
SW10
Тип головки
потайная
Тип резьбы
полная
Шлиц
HEX
Отзывов: 0
Нет отзывов об этом товаре.
Вопросов: 0
Нет вопросов об этом товаре.
Похожие товары
Вы недавно смотрели