







Артикул:
a2a - 1064225 75-SCH
Есть в наличии
24.43 ₽
Минимальное количество заказа этого товара 100
Доставка послезавтра и позже, от 5000 ₽
Обратите внимание. Наша компания работает со странами СНГ только через представительство в РФ.
Обратите внимание. Наша компания работает со странами СНГ только через представительство в РФ.
В упаковке
100Вес единицы товара, кг
0,0099Basic
В упаковке
100
Вес единицы товара, кг
0,0099
Вес упаковки, кг
0.0099
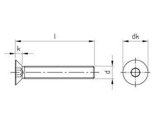
Высота головки, мм
3.1
Диаметр головки, мм
11.2
Диаметр резьбы
M5
Длина, мм
75
Материал
нерж. сталь A2
Нагрузки
Разрыв: 500 Н/мм2
Размер шлица
SW3
Тип головки
потайная
Тип резьбы
полная
Шлиц
HEX
Отзывов: 0
Нет отзывов об этом товаре.
Вопросов: 0
Нет вопросов об этом товаре.
Похожие товары
Вы недавно смотрели