







Артикул:
a2a - 1064245 6-SCH
Есть в наличии
6.63 ₽
Минимальное количество заказа этого товара 500
Доставка послезавтра и позже, от 5000 ₽
Обратите внимание. Наша компания работает со странами СНГ только через представительство в РФ.
Обратите внимание. Наша компания работает со странами СНГ только через представительство в РФ.
В упаковке
500Вес единицы товара, кг
0,0014Basic
В упаковке
500
Вес единицы товара, кг
0,0014
Вес упаковки, кг
0.00028
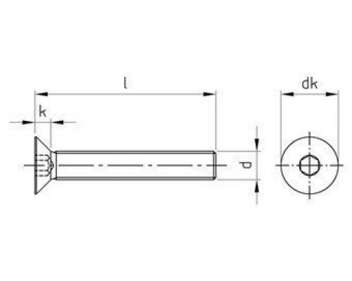
Высота головки, мм
3.1
Диаметр головки, мм
11.2
Диаметр резьбы
M5
Длина, мм
6
Материал
нерж. сталь A4
Нагрузки
Разрыв: 500 Н/мм2
Размер шлица
SW3
Тип головки
потайная
Тип резьбы
полная
Шлиц
HEX
Отзывов: 0
Нет отзывов об этом товаре.
Вопросов: 0
Нет вопросов об этом товаре.
Похожие товары
Вы недавно смотрели